欢迎来到上海赛豪轴承有限公司网站!
  ※ 返回首页 ※ 关于我们  ※ 联系我们
进口轴承一站式制造供应商
品牌多 种类齐全 库存充足 现货速发
客户咨询服务热线:
13795211588
FAG轴承
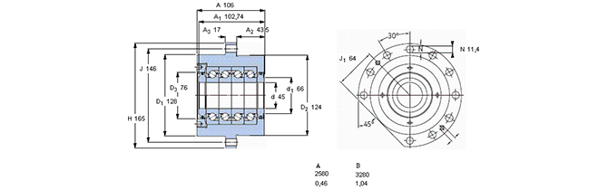
您的位置: 型号查询 > FAG轴承 ZKLF40100-2RS-2AP-XL

ZKLF40100-2RS-2AP-XL

作者:赛豪进口轴承    发布时间:2019-12-13     


  • 轴承品牌
  • 品牌
    FAG轴承
  • 轴承型号
  • 现行代号
    ZKLF40100-2RS-2AP-XL
  • 轴承内径
  • d
    40(mm)
  • 轴承外径
  • D
    100(mm)
  • 轴承宽度
  • B
    68(mm)
  • 动态载荷
  • cr
    77000
  • 疲劳载荷
  • cor
    202000
  • 参考速度
  • 参考转速
  • 极限转速
  • 极限转速
  • 轴承类型
  • 类型
    丝杠支撑轴承
我公司销售FAG ZKLF40100-2RS-2AP-XL轴承 ,能为客户提供样本图纸,自2001年起,FAG轴承在航空航天、汽车和工业领域起到了积极和重要的作用,产品涵盖了生产机械、动力传输与铁路、重工业以及消费品行业中所有的应用范畴。FAG轴承生产外径从3毫米到4.25米的各类球轴承和滚子轴承,包括依据样本的标准产品和依据用户特殊要求的非标产品。需要此轴承内外圈、内外径、厚度结构、重量、价格等资料请联系销售人员!

上一条: ZKLF40100-2Z-XL
下一条: ZKLF40115-2RS-XL
[返回]